体感とプラシーボ効果 その1 ホットイナズマとか



さて、今回はちょっと趣向を変え、表題のごとく「体感結果とプラシーボ(プラセボ)効果」について少々

お話してみたく思います。

いつも通りグダグダな長文が始まる訳ですが、さすがにこの辺りは「コンテンツ」とは呼べないLVの

内容にしかならない気もしますんで、このシリーズは「コラム」的な感じで読み進めて頂けると嬉しいですよ。


まず、「体感」はともかく「プラシーボ効果」というのは皆さんもご存知かと思われますが、これは実際に

行った事柄に対して効果の無いはずの事を、心理的な影響で「効果があったと思い込む」事なんですね。

本来は効き目の無い薬を飲んでも、「薬を飲んだ」といった事実がある事に対し心理的に+になり

調子が良くなる、といった事が語源の様ですが、言葉のニュアンスはそんな感じという事でひとつ。


これってスクーターいじりに限らず、他の色々なジャンルでも普通にありえることなんですが、今回はこれと

「実際の体感」といった物を絡めてお話を進めてみますね。

…とはいえ、これは以前に掲示板等で私が言ってきた事と重複している事も多いので、ある意味では

そういった物のまとめ的なモノとして把握して頂けると嬉しいです。


さて、まずは小手調べ…と言いますかかなり前に流行った「ホットイナズマ」という物に関してです。

これはご存知の方も多いと思いますが、サブバッテリー的とまでは言いませんが定番なのはバッテリーの

端子に並列にアルミ電解コンデンサを接続し、電圧降下時や電流不足の補正を行う、といった理屈ですね。

これが流行ったのはもう10年位前になるかと思いますが、当時はネットのあちこちでこれについての

議論が交わされており、効果はあるのか無いのか、といった事が論じられてました。

…うーん懐かしい(笑


で、先に言っておきますが公言通り私は電気系には疎いので、コレについての専門的な事は語れません。

が、そういった素人がこういったシステムをチョイスする場合、どうやって効果の是非を把握したのか、

といった「手法&取り組み方」をお伝えしたいワケなのでそこは誤解無き様にお願いしますね。


まず、この手の物のメカニズムと言いますか仕組みなんですが…

要は見た目はこういった物体になるワケです↓


自作ホットイナズマ(通称リーダーいなずま)
これは適度な容量のアルミ電解コンデンサ、+-の極性を持つ物を並列に繋いて配線を取り付けた物になります。

直列ではなく並列で結線するのが基本でして、各コンデンサの容量も小さいのと大きいのをくっつけるのが自作の基本ですね。

ちなみにこれは自作品の一例ですが、世の中にはこのコンデンサ容量の組み合わせで特性を変えているといった方向性もありましたが…それについては後述します。


で、このコンデンサってのは電子部品の一つで、平滑回路としての役割も持ちますが基本的には

「ちっこい電池」であると解釈しても良いでしょうね。

…というか私の電気的知識LVでは他に上手く表現出来ないという(笑


なので、これをバッテリーと並列に繋いでおけば、ハーネス上のどこかの機器で電圧降下や電流不足が

起こった場合、このシステムから予備の電流を持ち出して補助してくれる、といった働きが一応の

名目なんですが…これ、正直言って私、最初は後付けでこんなのくっつけてもバッテリーに比べて

比較にならない程の小容量なので役には立たないだろう、と考えていたんですよね。

しかもこういうのをくっつけるなら、もっと補正を望む為の機器に近い所にした方が良い、とも。


そもそも電子機器にはこの手の電解コンデンサは当然の様に入っているモノですし、後からわずかに

「バッテリーに並列接続しただけ」では効果なんてある訳ないだろう、と解釈したんですよ。

しかし、そこは私の性格上、理論だけでは納得しませんし可能であれば実証してみないと気が済まないと

いう事はココを読まれているマニアの皆さんも大いにご承知とは思いますが(笑

最初は適当なコンデンサを用意して基盤にくっつけ、それをバッテリーに並列接続してみたんです。


容量としてはまずは2200μF程度の物を一個のみ入れたりしまして、接続したのはFN仕様である

ライブDio-ZX、レーサーとはいえACジェネレーターで充電は行いますしバッテリーも搭載している

車両が被験車として選ばれました。


最初は電子機器が多くてバッテリー持ち出し気味の車とかの方が良いのでは?とも思いましたが

コンピュータがリセットされたりするとフィーリングは変わってしまうので、もっとアナログ的な物での

実験をまず最初に、と考えたワケです。

少なくともノーマルレーサーであれば基本メンテもバッチリで環境変化の影響も極少ですし、構造も

シンプルで電気系統も簡素化しており多少の機微を感じ取るのには最適な車両で、この車両で何も

変わらないのであれば効果が無い可能性は高いであろう、と踏んだんですね。


そして実際に車両をサーキットへ持ち込み、まずは普通に周回を重ね、いつもの感覚で走れて

いる事を確かめ、いよいよバッテリーに自作ホットイナズマをくっつけて走行してみますが…





全 く 体 感 出 来 な い 罠





…正直、まあこんなもんだろうと思ったのが本音なんですが、別段ストレートエンドでの最高回転数が

上がる訳でも無く、プラグの火花が強くなってトルクフルになる訳でも無く、といったオチでしたよ。


が、それならば何故効果がある、体感出来るという方がたくさんおられるんだ?といった疑問が沸くのは

当然の事でして、ひょっとしてコンデンサの電池容量が小さかったのでは、と考え直し、次の機会には

総容量30000μF位でホットイナズマもどきをこしらえ、元々の10倍以上の容量を使ってみる事に(笑


さて、さすがに30000μFともなればそれなりに高容量になっているので、さすがにちっとは変わるだろうと

思いまたサーキットで走行してみると…






今度は



明確なトルクアップが体感出来ました(汗





とはいっても50ccノーマルレーサーでの「明確」な感じなので、人によっては下手すりゃ体感出来ない

LVかもしれませんが…

で、これはタコメーターの数値にも表れ、当時6500rpmでの変速に設定しておいた駆動系が、

別に何も換えていないのに6600rpmちょいで変速していたんですよ。

当時はそこまで駆動系の仕組みを理解しきってはいなかったので分かりませんでしたが、何もせずに

変速回転数が上がるのであればベルトを引く力が増大し、トルクカムの作用力が大きくなっているからに

他ならないといった事が後年の研究で判明しましたが。

すなわち、何かしらの要因でピストンを叩く力が増大した、という事に他ならないんですね。

(※このコンテンツは実験当時のメモ等も参考にしながら書いてます)


で、もちろんこれだけでは終わらせず、自作ホットイナズマをくっつけたまま数周走行し、その状態の

フィーリングを体で覚えておいて、おもむろにランオフエリアにマシンを止め、ホットイナズマの端子を

引っこ抜いてすぐさままた走り出す、といったテストを行った所…

これまた当然のごとく、ホットイナズマを外すとフィーリングも変速回転数も元に戻り、また繋ぎ直すと

ちょっとだけトルクフルになった、といった当然の帰結になりましたよ。


したがって、このテストで私が知りえた事は、


・ホットイナズマ的な物はそれなりの高容量で無いと明確な効果を発揮しない可能性が高い


という事になります。

たったこれだけですが、当時はホンモノのホットイナズマでも小容量のコンデンサ一個?のみを内蔵して

いたと分析した為、ちっこい自作品では余計に差が出づらかったというのはあるかと思っていますよ。


で、通常ならばこれで一応の検証が出来た訳なのでこれで納得、となるかと思うんですが。

私の性格上、当然これだけでは実証は終わりません(笑


上記の通り、当時はホンモノのホットイナズマという物でも、「コンデンサ容量によってエンジンの

どこの回転域に効くか、といった事を変化させられる」といった、これまた一見怪しげな理論が

飛び交っていまして。

実際にホンモノのホットイナズマでも、低回転用とか高回転用とかで種類がありましたしね。

(効果の真偽はともかくとして…)


で、実際に電解コンデンサの並列接続の数を増やし、なおかつ高容量も実践すればもっと多大な効果が

出るのではと思い、今度は以前程大容量ではなく、並列接続の数を増やした自作品を作って実験してみる

事にしたんですよね。

並列接続テスト品
これが多分当時の実験したブツになるかと思いますが…

なにしろ興味本位で結構数を作ったので現物かどうか怪しいですが構造はこんな感じなのでご勘弁をば(汗

内容的には2200μFを6個並列繋ぎで搭載し、470μFのおまけをくっつけていますね。

ちなみにコンデンサ自体を基盤に接着固定していないのはこの後である実験を行う為です。


とまあ、次は容量をちょっと減らした上で並列接続を多くし、電気的にはロスがあるのか無いのか

訳の分からん状態のブツをこしらえ、またテストを行います(笑

結果から言いますと、この仕様でも一応の体感は出来、変速回転数にも多少変動はありましたが

さすがに誤差の範囲かと思う位で、取り付け取り外しを行っても前回の物程には体感には現れて

くれませんでしたね。

が、このパターンだと何故かノーマルのクラッチイン直後、5000rpm程度には妙に力を感じていたので、

容量とは別に並列接続での特性変化、ってのは何かあるのでは?といった疑問も生まれてきたんですよ。


と、ここで私はかねてからやってみようと思っていたテストを行う事にしまして。

それは…



並列繋ぎのコンデンサを

徐々に減らしていくとどういった変化が出るのか



といったテスト…と言いますかもはや手段と目的が逆転している実験になります(汗


が、これはまず低回転だの高回転だのといった特性変化を見る実験なので、まず実走行ではなく

「無負荷空転時のエンジンの最高回転数」を見てみる事にしました。

FNマシンとはいっても実際にはストレートエンドでは(当時は)7000rpm台でしたし、8000rpmに

到達する事は無かったので、この程度の回転域で明確な差は出ないであろうし、しかも

スクーターであるがゆえに変速回転数は同一なので、MAX回転数的な物を調べるとなると

長い直線が必要なので、サーキットでは実現不可能に近かったりするので、あえて負荷の無い

状態でのチェックとしてみた訳です。


これも、私は実際に実験する前には「実走行時の変化は分かるが、空転時だとそんなMAXの

回転数が変化するわきゃないだろう」と考えていまして。

「実走行の体感で分からない部分に変化があるのでは無いか」といった趣旨もありましたが実際には

結構たかをくくって実験に望んだのですが…


まずバッテリーには何もくっつけない状態で無負荷空転を行い、基準となる回転数を計測して

行きますが、これが私のFN仕様ライブDio-ZXだとおおむね10500rpm になります。

私はFNレーサーだと無負荷空転で10000rpmは突破しないとエンジン的にイマイチである、といった

自分基準があったりしますが、それは軽く上回る回転数なのでエンジンが快調なのは間違いないですね。


そして、上記の並列接続しまくりな自作ホットイナズマもどきをくっつけ、同じく無負荷空転で空回しを行うと…








なんと


無負荷空転時の最高回転数が


「9600rpm」程度まで落ちている罠(汗







…これ、私自身自分の目を疑いましたが(汗

当然のごとく、最初はああこれは何か間違いがあったのかな、と思ってもう一度ホットイナズマもどきを

取り外して空転させると元通り空転で10500rpmまで回るんですよ。

これはさすがに間違いではなく、この自作ホットイナズマをくっつける事によって明らかに変化が出て

しまっている、という事を認めざるを得ませんでした_| ̄|○


で、気を取り直して本題の実験を行いますが…その本題というのは「ちょっとずつコンデンサ容量を

減らしていくとどう変化が出るのか」と言う事なんですが、これが実走行ではなく無負荷空転の方が

先に興味深い実験になろうとは思いもしませんでしたね(笑


そして実験では


・13670μF=MAX9600rpm


・9270μF=MAX9900rpm


・4870μF=MAX10200rpm


・2670μF=MAX10500rpm(変化なし)


といった結果となりました。

これ、明らかに差が出ている所が面白く、実際の走行ではFN仕様ならば9000rpm台なんてのは

使わないので実用回転域の力が出るそれなりの容量でこしらえておけばOK、といった事も判明し、

その後FNマシン用にこのテのブツを作製する時には大きな指標になりましたよ。


が、これだと10000rpmとかを使うFP仕様、すなわちチャンバー付き車両等であればそれでも

実走行での実用回転域がおかしくなるのか?といった疑問が出てくるんですが。

何故かその場合だと不具合が出る訳でも無く、特に問題が無かったという事も付け加えさせて

頂きますね。

単純にコンデンサ容量が大きいと、速度の上がるパルス入力に対して電気的レスポンスが

間に合っていないのかと思ったりもしますが、実際のパワーバンドが高回転の車両だと特に

問題は出ませんし、結局この現象が起こる理由は今でも判明していません。

…どなたかこの辺に明るい方がおられればアドバイス頂戴したく思いますです(泣


と、オーバーレブすら越えきった所でのみ発生する、という妙なコンデンサ容量と並列接続の

関連性?ですが、これでも一応はコンデンサ容量は特性と無関係では「無さそう」といった立証は

体感と実践である程度出来たと思い、FN車での実験はこれにておしまいにしましたよ。

一応、ホンモノホットイナズマの会社が謳っている事は完全な的外れでもハッタリでもないな、と

いう事をある程度納得出来たので…


そして次に…ここでやっと本来?の使い方である、車に搭載したりしての実験を行っていったと

記憶にはありますが…まだ懲りずにやってる所がミソです(爆

で、これはまず適度な容量の物を自分の車にくっつけてみますが…これはバッテリーのマイナスの

端子を外さずにそのまま+-に割り込ませて取り付ける、といったちょっと危ない方法を取って

くっつけてみましたね。


何故かと言うと、完全にバッテリーのマイナスを外してしまうと回路のリセット等が起こってしまう

可能性があるので、一瞬ですがコンデンサに充電される間だけバチ!っというだけなので手袋で

カバーしてりゃ問題ありません(笑


そして…さすがに車だと表題にもあるプラシーボ効果が出そうだな、と「自分で作った物をハナから

疑って」さくっと走らせてみますが、これまた全体的にわずかながらトルクアップを感じて「しまって」

いたというオチなんですよね。


で、私はここまで来るともはや最初からプラシーボ効果がありそうだと判断している上での自分での

実験なので、すぐさま運転席の近くまで引っ張っていたホットイナズマに繋がる端子を引っこ抜き、

そのままフィーリングを確かめるとやはりなんとなく変わった感じがするんですよ。


もちろん、その程度ではプラシーボ効果の可能性は高いので実際はどうかな、と考えていたのですが。

ある時、夜に走っていておもむろに停車しまたホットイナズマもどきを外すと…今度は確実に「視覚的」に

変化がある事に気付きまして。

それはメーターの照明の明るさなんですが、明らかにぽわっと光る具合や明るさが異なっている、と

いうのを目視で確認し、エンジンやらの性能変化が起きるのでは、といった方向性にばかり囚われていた

自分が恥ずかしくなってしまいましたよ_| ̄|○


この時電圧計もチェックすると、普段は無灯火の状態では14.2〜14.3Vをバッテリーから出力して

いたのですが、ホットイナズマもどきを装着するとその数字がわずかに上がり、ほぼ14.3V固定で

たまに14.4Vまで上がるんです。

これは錯覚ではなく、FNライブのタコメーターと同じく数値に表れたのでまあ間違いない、と確信を持って

気のせい、プラシーボ効果では無い、と判断する事になりましたよ…


それともういっちょ、この頃たまたま私の家族が新車を購入しましてね。

新車ならさすがに効果なんて出ないだろう、と考えましたが疑念の目を向けられながらもその新車に

ホットイナズマもどきをくっつけてみると…メーター照明にはちょっとだけ効果があったという(笑


後に、知人に頼まれてこしらえたこういったブツでも、知人本人はニブいっぽく分からないと言って

いたのですが、ひょんなことでホットイナズマ装着車に家族の方が乗られ、「何か今日は調子良かったけど

オイルでも換えたのか」と言われたそうです。

これはブラインドテストどころではなく、何かを「換えた」という予備知識すらない状態で変化を体感して

いたという事なので、ほぼ間違いは無いであろう、とさらなる確証に繋がった事も補足しておきますね。


…普通はこんな事してまでは「効果」ってのを疑わないでしょうが、私は体感出来るとか出来ないとか

それ以前に、怪しいモノだとちゃんと実証が出来なければ性能UPしても100%は嬉しくないタチなのです(爆

エンジンオイル添加剤なんかも、私は試す時にはわざと汚れたオイルの上からどぼどぼと注いで

試しますし、オイル交換と同時に添加剤使ったのでは「それのみ」の体感なんてまず出来ないので。

添加剤の100%の性能は出ないかもしれない上にお金をドブに捨てるかもしれませんが、それを

差し引いてでも「自身での実証」を得る方が価値がある、といった人間なのですよ…



そして時は流れて…ってまだこのネタ引っ張るんかい、と言われそうですがコンデンサネタはこれで

最後なのでもうちょっとお付き合い下さいな(汗


これは確か2006年頃になりますが、丁度私がSS1/32mileへの参戦車をSBのFS-JOGからSAのGダッシュへ

転換した頃の話になります。

当時、このSA-Gダッシュはノーマル発電を最低限度行っていましたが、すぐにCDI電源の全てを

ニッカドバッテリーから供給する「DC-CDI+フルバッテリー点火」に変更したんですよね。


で、ココで久々にホットイナズマもどきの転用を考えまして。

早速適当なモノをこしらえてニッカドの直後に接続しますが…これがなんとも全くと言って良い程に

体感も変化も起こらないんですよ(汗


さすがに電源供給のロスがノーマル発電とは比べ物にならない高効率のフルバッテリー点火の場合だと

もはや補助的なモノが介在する余地は無いのかな、と考えましたが…

が、当然私の好奇心がそれだけでは終わるはずもなく、DC点火である事を逆手に取ってある事を

考えたのですが…

こんなモノをこしらえてみましたよ↓













まさに直付けコンデンサ(笑




…何を狙っているかと言えば見たまんまですが(笑

DC電源の直接入力で駆動するCDIならば、+と-に直接極性のある電解コンデンサをくっつけてやれば

「機器そのものに近い所」で働く事も含め大きな効果が出るのでは?と考えたんですよ。

実際、CDIを分解した事のある方であればご存知かと思いますが、アルミ電解コンデンサってのは

純正でも社外でもCDIには必ず電源が通る部分には使われたりしますし。

それを「見える所」に追加でくっつけただけの話なんです(笑

なお、実際にはバッテリー近辺への装着だとCDIからかなり遠くなるという事もあり、こういった接続の方が

効果が現れやすいのでは、というのは基本ですしね。


そしてこれをSSマシンにくっつけ、サーキットで一本走ってみてそのまま止まり、キルスイッチを

OFFにすると






















なんと



エンジンが止まってくれず



数秒間アイドリングを維持してしまいました(汗












…これ、この系統の実験で一番びっくりした件でしたよ。

最初はトラブルか?と思いハーネスとか一生懸命チェックしたのですが全く異状は無く、家に帰って

同じ様にエンジンをかけ、キルスイッチをOFFにしてもエンジンが数秒間は止まらないんです。

しかも何度やっても再現性があるという…


結局、コンデンサを割り込ませていないCDIを使うと普通にエンジンが切れた上に、次はCDIに

くっつけたコンデンサを外すとこれまたちゃんとエンジンが止まったので、原因はこの追加した

コンデンサにあるだろう、といった分析となりましたが…これはハーネスのワイヤリングが下記の様に

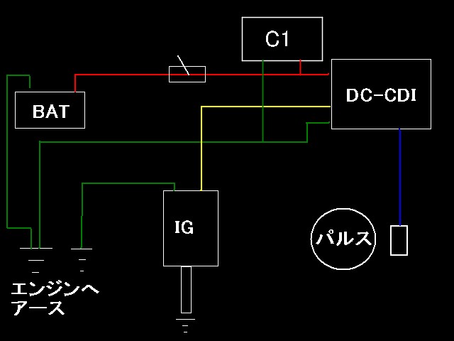
ちと特殊になっていたからこそ発見出来た偶然の産物だったりします↓


キルスイッチの下流に電池がある設計に(略


えと、中央上の赤線に割り込んでるのがキルスイッチでして、フレームにアースを全く通していない

私のマシンだと、「C1」のコンデンサからCDIへの電流ってカット出来ないんですよ(笑

プラスコントロールな上にアースも各機器単体で1本ずつエンジンにアースしているので…


私もまさか、とは思いましたがそれ以外に原因が思いつきませんし、後でハーネスをちょっと変更してみて

コンデンサ自体をキルスイッチでカットしてやると普通にエンジン切れたのでああこれか、と。

あ、もちろんノーマルハーネス車のDC-CDIでこんな事やってもエンジンはちゃんと止まりますんで(笑


で、ここで特筆すべきはわずか470μFのアルミ電解コンデンサ1個が、たかだか数秒間の間ではありますが



CDIを駆動し


エンジンをアイドリングさせられる位の


電気的容量がある



という事なんですよね。

私自身、この偶然の産物を体験するまでには素人手段ですが色々実験も検証もして来ましたが、

こんなちっこい容量の電解コンデンサ1個で数秒間とはいえ3000rpmのアイドリング状態でエンジンを

実動させられる、というのはかなりの衝撃でまさにカルチャーショックでした。


…結局、SSマシンの様な点火電圧、電流供給共にしっかりしているマシンのワイヤリングだと明確な

追加コンデンサの効果は体感出来ませんでしたが、少なくともこの件によって




「性能的な体感が出来なくとも、効果は0ではない」




「効果的であろう電気的作用は確実に起こりえている」




といった「実証」を得る事が出来ましたね。



とまあ、ここでやっと表題のテーマとなり、「体感は出来ないが作用は起こっている」という事、それに加え

「このコンデンサ追加に関し、全てがプラシーボ効果だとは切り捨てる事が出来なくなった」んですよ。

コレ以前だとそれまでの実証によりかなりの確率で体感出来て効果もあるだろう、と考えてはいましたが

ここまではっきりした形で示されるともはや疑う余地がほぼ無くなった、とも言えますし。


実際にこの手のパーツはFNマシンとかでいくつか作ってお渡ししてる方も居ますし、コレが流行った頃

車屋の知人に頼まれてちと量産したりもしましたしね(笑

それから数年経って確証に限りなく近い経験をした、というのも間が悪い話ではありますが…


で、この実験自体がかなり以前の話ではありますが、結局現在ではフルバッテリー点火では効果は薄いと

いった所に落ち着いており、わざわざニッカドと並列に自作ホットイナズマをくっつけたりはしませんが、

ACノーマル発電からDCへ変換する車両とかであれば補助的な意味でも一応の採用パーツとして

運用していたりしますよ。


一例で、街乗りGダッシュなんかはレストア当初はバッテリーレスの自作ホットイナズマもどきでしたが

これがあるのと無いのとではライトON状態のアイドリングの時、ウインカーが点滅出来るか出来ないかの

位の差は出ていたりしますんで。

ちなみによくあるメーカー製のバッテリーレスキットってのは基本的に10000μFが一個だけなので

完全バッテリーレス用途としてはかなり足らない上に値段もお高い、という事も付け加えておきます。

あ、基本ですがDC点火車はバッテリー外してそんなもん付けちゃダメですよ(汗


とまあ、レーシングハーネスでもそうなんですが、仮に体感出来ないからといって切り捨ててしまうのはちと早計で、

ある程度で良いので自身が納得出来る様な実証を得ていれば、体感出来なくても採用出来るんですよ。

もちろん、これは全ての方にこうして欲しいという訳ではありませんが、私はこういった小さな事例をもってしても

体感「のみ」を是非判断の根拠とはしない、といった事をお伝え出来れば、と思います。

むしろ、このホットイナズマ的な事に関しては私自身最初は懐疑的でしたしね。


何故に今更こんな古い話を?と思われるかもしれませんが、近年であればこういう事を書き連ねても

悪くは無いであろうといった事がまず一つと、WEB上だとこういった感じでこの件についての感想やら

少なくともスクーターといった車両への適用に関しての情報が無いな、と思っていたのがもう一つの理由です。

…いつも通り、私は「人が着目していない面から実証を行う事」が一番説得力が出せると考えている、と

いうのはもはや語るべくもありませんしね(笑


さて次回は、「2stオイル」についての話を絡めながらのコラムになります。

この辺りは内容が相互補完している部分もあるコンテンツなので、出来るだけ続けて読まれる事を

お奨めしておきますね。


「スクーター改造」に戻る